Language: English
 
 
 
模具油缸
 
 

  在铝压铸模具的使用环境:高温、油路多渣、长时间工作、耐压大,还有脱模剂的侵袭,使油缸的生存很艰难。但同样的环境压铸机的油缸使用就没有问题,我们意识到这点后,详细研究了压铸机上的油缸:首次,承载力是额定输出力的1.5倍。其次,密封件采用适合此恶劣环境的特殊结构。其三,更高的产品精度。有此认识后我们也做了三件事:第一,我们编制有《抽芯力查询表》,以便客户合理选择油缸。第二,我们采用和铝压铸机油缸一样的密封件,以适应使用环境。第三,油缸部件我们采用全数控生产,保证了零件的精密度和一致性。同时对模具油缸上铝压铸机油缸所不会遇到的脱模剂问题,我们分别有“防水行程开关”和“防水霍尔开关”以及“内藏式磁感应开关”可供选择,从而彻底解决油缸使用寿命的问题。

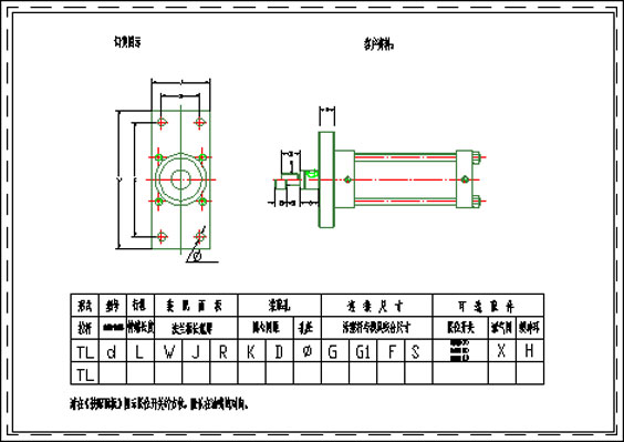
  我厂提供的模具油缸规格自3T至30T,行程长度从10mm至800mm,使用范围从动模油缸、定模油缸、压铸增压、斜导柱油缸辅助抽拔、增速油缸、辅助推料油缸、双活塞油缸、自锁油缸等覆盖模具油缸的方方面面。

 
 
 
版权所有:宁波拓钢模具配件制造有限公司 浙公网安备33020602001360号 网站备案号:浙ICP备2025145813号-1
Copyright 2011 towngo Inc. All rights reserved.